相關資訊
- 西藏自治區房屋建筑和市政基礎設施工程施工招標投標管理辦法(試行)
- 浙江省注冊建造師信用評價的實施意見
- 湖北:關于征求湖北省房屋建筑和市政基礎設施工程招標投標評定分離實施辦法意見的通知
- 婺源縣教育產業園-鄉村振興職業學院土石方工程施工招標代理中選結果的公告(上饒)
- 調整較大,延期至10月1日實施!福建:關于延期實施《福建省房屋建筑和市政基礎設施工程標準施工招標文件(2022年版)》的通知
- 中試基地二期及配套項目—渝隆遠大二期項目施工招標代理中選結果的公告(重慶)
- 萬州區翠屏大道市政道路及管網工程B段施工招標代理采購結果公告(重慶)
- 通城縣國營種畜場華中兩頭烏(通城豬)良種繁育項目(項目名稱)標段施工招標公告(咸寧)
- 德格縣武警中隊營房及附屬工程建設項目施工招標資格預審公告(四川)
- 新豐縣中醫院異地搬遷升級建設項目(一期)施工招標答疑書(韶關)
同類文章排行
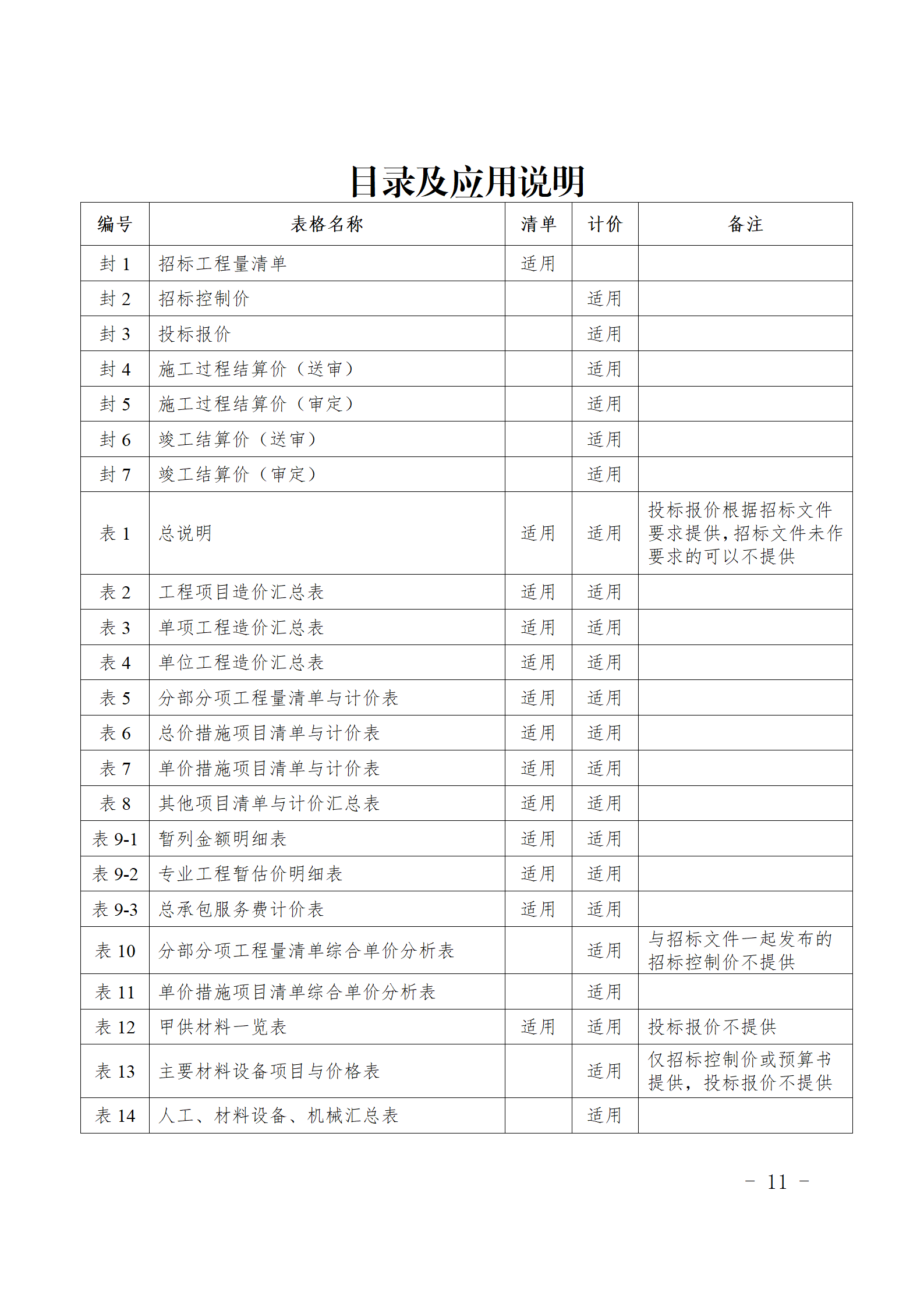
- 福建省住建廳:關于印發《福建省房屋建筑和市政基礎設施工程施工招標項目計價實施細則》的通知
- 遼寧省住建廳:關于進一步加強遼寧省建筑市場監管公共服務平臺項目信息管理的通知
- 陜西省住建廳:關于印發《陜西省智能建造與新型建筑工業化產業鏈專家團隊管理辦法(試行)》的通知
- 國家發展改革委關于《中央預算內投資計劃管理辦法(征求意見稿)》公開征求意見的公告
- 甘肅省住房和城鄉建設廳關于印發《甘肅省建筑和市政工程施工圖設計文件聯合審查技術要點補充規定》的通知
- 2024年度陜西省二級建造師執業資格考試注意事項
- 陜西省關于開展涉及不平等對待企業法律法規政策清理工作的公告
- 西安市住建局:關于印發《關于在房屋建筑和市政基礎設施工程領域推進全過程工程咨詢服務發展的實施意見》的通知
- 國家發展改革委等四部門發布《關于做好2024年降成本重點工作的通知》
- 貴州省房屋建筑和市政基礎設施項目工程總承包計價導則
最新資訊文章
您的瀏覽歷史



































